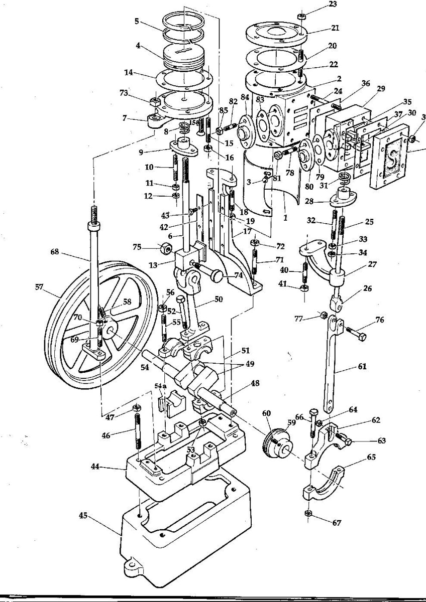
In the coming pages I will be describing steam engines in detail, using their technical terms. To aid in your understanding please spend a few minutes looking at the exploded view below and numbered names. Ne aware that some items are known by different names I have included a couple of variations but there are more out there so bear with me.
1 Cylinder Cladding
2 Cylinder
4 Piston
6 Piston Rod
7 Cylinder Bottom Cap
9 Piston Rod Gland
13 Crosshead
17 Standard
21 Cylinder Top Cap
25 Valve Rod
27 Valve Rod Guide
28 Valve Rod Gland
29 Valve Chest AKA Steam Chest
35 Valve
38 Valve Chest Cover AKA Steam Chest Cover
42 Crosshead Guides
44 Soleplate
45 Boxbed
48 Crankshaft
49 Crank Webs
50 Connecting Rod
51 Big End Bearing
54 Crankshaft Bearing & Top Cap
57 Flywheel
59 Eccentric Sheave
61 Eccentric Rod
62 & 65 Eccentric Straps
68 Rod
74 Small End Pin

Please Consider Making a Donation